RN2000 RFOG NODE
RN2000 is a compact FTTB and FTTH node for bidirectional PON networks (RF over glass application). A burst mode transmitter enables the efficient utilisation of the fibre optic network at the upstream direction and also it reduces the number of head end upstream receivers. RN2000 offers a very high output level in the small compact enclosure.
Features
- Compact and robust die cast housing
- Receiver options for 1310 nm and 1550 nm wavelengths
- Low power consumption
- Low noise current density – high C/N
- Very high output level from small housing
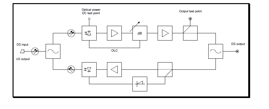
- OLC function – automatic level control based on optical input power
- Constant output level at wide optical input power window (OLC)
- RF output test point
- Optical input power indicator
- Optical input power DC test point
- Burst mode return path transmitter, compatible with DOCSIS 3.0
- Transmitter LED indicator
- EMC compatible with EC regulations
- Excellent surge and ESD protection
Technical specifications
Forward path receiver
| Parameter | Specification | Note |
| Operating wavelength range | 1290…1330 nm or 1540…1560 nm | 1) |
| Optical input power | -6…+1 dBm | |
| Responsivity | 0.8 A/W | |
| Optical test point | 1 V equals 1 mW | |
| Optical input power LED indicator | -6 dBm ON and -8 dBm OFF | |
| Frequency range | 85 MHz…1 GHz or 110 MHz…1 GHz | 3) |
| Impedance | 75 ohm | |
| Return loss | 18 dB | 4) |
| Output level | 96 dBμV | 5) |
| Flatness | ±1 dB | |
| Slope | 4 dB | |
| RF test point | -10 dB | |
| Noise current density | 5.5 pA/Hz | 6) |
| CTB | 60 dB | 7) |
| CSO | 60 dB | 7) |
| Return path transmitter | ||
| Light source | DFB laser | |
| Centre wavelength | 1310 nm or 1610 nm | 8) |
| Output power | +3 dBm | 9) |
| Optical output power-ON LED indicator | -6 dBm | |
| Frequency range | 5…65 MHz or 5…85 | 3) |
| Operating input level window | 90…105 dBμV | |
| Input return loss | 16 dB | |
| Flatness | ±1 dB | |
| Transmitter switch-ON delay | 1.1 μs | 12) |
| General | ||
| Supply voltage | 12…20 VDC | |
| Power consumption | 5.5 W | |
| Power connector | F female | |
| Class of enclosure | IP43 | |
| Operating temperature range | -40…+55 C | |
| Storage temperature range | -30…+70 C | |
| Dimensions | 123 x 140 x 34 mm (h x w x d) | |
| Weight 0.4 kg | 0.4 kg | |
| Optical connector(s) | SC/APC | |
| RF connectors | F female | |
| EMC compatibility | EN 50083-2 | |
| ESD | 4 kV | 10) |
| Surge | 6 kV | 11) |
Notes
1) Two receiver wavelength options are available, see ordering information. The wavelength band is limited by an optical filter.
2) Operating OLC window.
3) Depends on the model (diplexer frequencies). See the ordering information section.
4) Minimum value at 47 MHz. At higher frequencies the minimum value is -1.5 dB/ octave.
5) At 1550 nm, 1 GHz and 4.5 % OMI.
6) Typical value at 550 MHz and the value can be used for C/N calculations.
7) CENELEC 42 chs and OMI 4 %.
8) Two transmitter wavelength options are available, see ordering information.
9) Typical value. The minimum value is 0 dBm.
10) EN61000-4-2, contact discharge to enclosure and RF port.
11) EN61000-4-5, 1.2 / 50 μs pulse to RF port.
12) This is development target for typical value.
Block Diagram


